Красный мост в Орле: как депутат Вдовин спрятался под маской дилетанта

Зампред облсовета Вдовин поинтересовался грузоподъёмностью моста: «Проедет ли по нему 70-тонник?» И признался в своём… дилетантизме, нахваливая при этом подрядчика – жестом и словом.

Зампред облсовета Вдовин поинтересовался грузоподъёмностью моста: «Проедет ли по нему 70-тонник?» И признался в своём… дилетантизме, нахваливая при этом подрядчика – жестом и словом. Какой круг вопросов к проектировщикам открывается теперь? Фото: ГОСТ 32960-2014

Это зафиксировали в своих репортажах 20.09.23 наши коллеги – Орёлtimes и «Вести-Орёл». Прямо на месте событий, известных всем горожанам с февраля 2021 года. Более продвинутые следили за судьбой главного моста города с осени 2017-го. А «болеющие» мостами инженеры объединения «Дорога-450» тогда же прогнозировали проблемы и беды. Убеждая чиновников и депутатов, на профильном комитете горсовета, в гарантированном вреде заключения контракта сразу на весь огромный комплекс проектных работ.

Не послушали. Брак проекта остановил стройку через месяц после старта.

Возобновлённая только через год, она идёт с множеством нарушений Федерального закона № 44-ФЗ. Но смело принятый режим ручного управления пренебрегает обязанностью следовать закону.

В сложившейся ситуации отчётливо проступает изъян команды правителя – это невежество чиновников и депутатов в инвестпроцессах. Особенно страшно этот изъян может навредить в новых больших стройках. Чиновничьего лукавста, даже постоянно покрываемого депутатами, ведь недостаточно для эффективного осваивания бюджета. Нужны знания. И тут тупик.

Вся проблема в том, что знания эти никто из команды правителя получать не хочет. Ни чиновники, ни депутаты. Весь инвестпроцесс Красного моста, начиная с 2013 года, подтверждает это. Тогда у нас начал работать сильный и универсальный подрядчик – омский «Мостовик». Было десять лет возможностей. Но единственного мостовика изгнали, а невежество закреплялось и становилось всё более воинствующим. Созданный год назад профильный комитет облсовета просто имитирует деятельность. Всего раз, в апреле, инженеру «Дороги-450» было позволено там выступить. С места, без демонстрации чертежей на мониторе. Но докладчика бесцеремонно прервали на полуслове, как потом оказалось – спасли от увольнения.

Такова реальность. Окружение правителя, ведущее мостовые инвестпроцессы, ни само не хочет развиваться, ни другим не позволяет этого. Во время посещения властью Красного моста, в 2022-23 годах, не последовало ни одного вопроса по существу, ни одного примера вглядеться в чертежи и сравнить их с фактом. Попытка ещё одного инженера из «Дорога-450» завязать задать подрядчику ряд технических вопросов была в своё время пресечена главой депутатской экскурсии, а для посещения стройки потребовали заранее подать заявку.

Последний поход на мост, 20.09.23, был отмечен ограниченным составом. Как депутатов, так и СМИ. Нашу редакцию не пригласили. Пришлось просматривать материалы коллег. Отличился Вдовин – вопросом и откровением. Подрядчику, о грузоподъёмности моста: «Проедет ли по нему 70 – тонник?»   Корреспонденту «Вести-Орёл»: «Рука прораба чувствуется, рука генерального директора чувствуется. Всё здесь, как положено, делается. На мой взгляд, дилетанта. Я – дилетант в области мостостроения, хотя военные мосты мы изучали» .

За оценкой вопроса депутата и ответа начальника участка (для чего нужны специальные знания) мы обратились ещё к одному инженеру «Дороги-450» – В.А. Надуткину.

- Вячеслав Афанасьевич, трудный ли вопрос задал М. Вдовин?

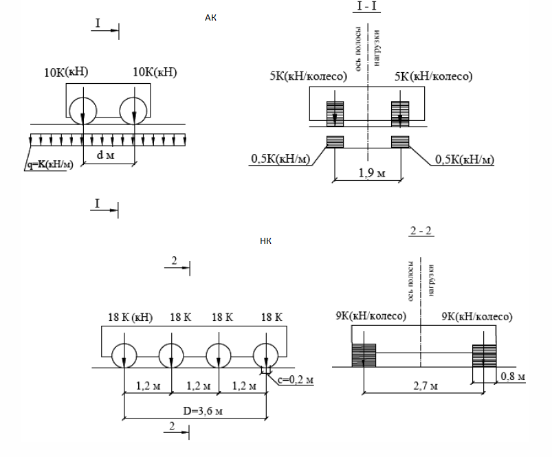
ВАН : Скорее всего, это был вопрос с подвохом. Депутат не мог не знать – мост проектировался на пропуск подвижных нагрузок А14 и Н14. Ваше издание несколько раз публиковало эти данные. Эти же данные были прописаны и на чертеже, вывешенном в штабном вагончике стройки. Как же было не заметить этого? Если перевод нагрузки А14 в вес грузовика потребует вспомнить некоторые формулы и сделать по ним расчёт, то с нагрузкой Н14 всё много проще – всего два умножения, в уме. Конечно, депутат всё это давно просчитал и знал – нормативный вес тележки будет 102,8 тонн, а расчётная (т.е. с коэффициентом надёжности) нагрузка Н14 составит 113,1 тонн. Нагрузка представлена четырёхосной тележкой, то есть на одну ось 25,7 нормативных (а расчётных- 28,3) тонн.

- Выходит, подрядчик не прав, назвав расчётную нагрузку А14 и расшифровав это как грузоподъёмность 14 тонн на ось?

ВАН : Во-первых, слов его мы не слышали. Ваши коллеги из Орёлtimes дают его фразу текстом (вопрос – правильно ли записали?). Во-вторых, он сказал лишь об одной части подвижной нагрузки класса А14 (причём меньшей), представленной двухосной тележкой с нормативной нагрузкой на каждую ось – 14,3 тонн. Т.е. вес тележки – 28,6 тонн. Вторая часть состоит из равномерно распределённой по всей длине пролёта полосовой нагрузке, интенсивностью 1,43 тонн/п.метр. Т.е. при длине пролёта 55 метров нагрузка эта составит 78,7 тонн. Мы видим – для нашего пролёта полосовая нагрузка значительно больше тележечной. И каждая из этих частей создаёт свои усилия. Ниже поговорим об изгибающих моментах в балке от этих нагрузок.

Вообще, следует сказать, что подвижная нагрузка класса АК (где К может иметь различные значения, в нашем случае К=14), состоящая из двух частей, как было рассказано выше, является условной. В природе такого транспортного средства нет. Напротив, нагрузка Н14 – это четырёхосная тележка, вполне представляемая. Думаю, прораб разгадал хитрость депутата (по их лицам, из репортажей коллег, это видно) и не стал всё это ему выкладывать. Мол, дальше сам посчиаешь, а остальные стоящие рядом всё равно ничего не поймут. Так и вышло – нового вопроса не последовало.

- Так, сложение нагрузки от тележки и от полосы даёт 107,3 тонны. Она же меньше, чем от Н14. Почему же расчётной была названа А14?

ВАН : Во-первых, мы посчитали для А14 пока только нормативную нагрузку. Применив коэффициенты надёжности (для тележки – 1,5; для полосы – 1,25), получим другие значения: 42,9 и 98,4. Сумма стала 141,3 – существенно больше, чем Н14. Во-вторых, при расчёте на А14 рассматривается случай загружения моста несколькими полосами (ведётся поиск самого невыгодного случая, когда пролётному строению будет наиболее тяжело). Число полос, каждая шириной 3 метра, зависит от ширины моста. В нашем случае возможно размещение до четырёх полос. Расчёт силовых факторов (он уже достаточно трудоёмкий – если вручную) делается для разных вариантов. Нагрузка от второй полосы берётся с коэффициентом – 0,6. От остальных – с 0,3.

Кроме того, определяется так называемый коэффициент поперечной установки нагрузки. Через него узнаем какая часть нагрузки приходится на одну главную балку. Ещё в расчёте потребуется учесть динамический коэффициент. Надо не забыть про собственный вес пролётного строения – существенную величину. Здесь тоже нужны будут разные коэффициенты надёжности.

Всё это – большие и кропотливые расчёты. Сейчас они делаются машинами. Мы же, старые инженеры, уверены – чтобы понять суть расчёта, надо уметь делать его вручную. Лучше всего с логарифмической линейкой. На ней легко следить – правильный ли результат даёт калькулятор (он тоже может ошибаться). Научившись расчёту, будешь знать – что ожидать на выходе, в каких пределах должна быть та или иная величина. И если вдруг компьютер выдаст что-то вне ожидаемых рамок – это его ошибка. Машина-то лишь облегчает проектировщику работу. Результаты же её труда должны быть под контролем человека.

- С тележкой Н14 всё понятно, её легко представить. А какое условное транспортное средство (ТС) можно представить взамен А14?

ВАН : Хороший вопрос. Такое, чтобы действие его на пролётное строение было эквивалентно действию обеих частей нагрузки А14 (полосовой и от тележки). Решается это так. Определяются изгибающие моменты, возникшие в середине пролёта от этих двух частей. По разным формулам сопромата: Р*L/4 и q*L*L/8. Все коэффициенты пока забудем. Сейчас другая цель. Оси тележки условно соединим в одну, расположенную в середине пролёта. Искомые величины моментов будут:

393,3 тм – от тележки, 540,7 тм – от полосы, распределённой по всему пролёту.

Суммарный момент: 393,3 + 540,7 = 934 тм (тоннометров).

Сравним его с моментом от Н14: 102,8*55/4 = 1413,5 тм (здесь тоже применена условность – все оси сведены в одну, поставленную в середину пролёта).

1423,5/934 =1,5 в полтора раза Н14 даёт больший момент в середине пролёта, но расчёт будет вестись на А14. Потому что будет применено несколько полос загружения и коэффициенты надёжности и динамические для А14 бОльшие.

Вернёмся к нашей задаче и теперь определим, какая сила, расположенная в середине пролёта, создаст такой точно изгибающий момент, как полосовая, плюс тележка. Величина этой силы и будет весом нашего искомого ТС. Вновь применяем формулу сопромата (ту, что использовали для тележки): М = Р*L*/4 (преобразовав её в нужный вид): Р = 4*М/L Вот результат – 67,9 т, округлим до 68 тонн.

- Вот обоснованный ответ!

ВАН : Даже больше. Сейчас всё поймёте. Даём Вдвоину волю самому подобрать грузовик с желаемым количеством осей, по которым и распределить эти 68 тонн. Тут ему здорово поможет Музалевский – с машинами наш председатель знаком не понаслышке. А вот им подсказка. Когда расчёт вели на нагрузку Н30, где был трёхосный автомобиль весом 30 тонн, то нагрузка по осям распределялась так: две задние оси – по 12 т, а передняя – 6 т. Между передней осью и первой задней было 6 метров, между двумя задними – 1,6 м.

- В таком случае депутаты смело сумеют вести разговор не только с прорабом, но и с главным инженером, котороый, похоже, и показался на мосту всего раз. На встречу же с руководством облсовета отправляют... начальника участка.

ВАН : Есть надежда – наши во всём этом разберутся и вскорости увидят изъяны стройки. И проектные, и строительные. Поймут их причины. Сами. Вот тогда они сумеют вовлечь в это своих коллег-депутатов и потребовать дела с чиновников. Поучить их.

- Только чиновников?

ВАН : Не только их. И проектантов, наделавших столько беды. И экспертизу.

- Хорошо, но почему Вдовин назвал себя дилетантом? У него же инженерное образование...

ВАН : Хороший вопрос. Похоже, он просто косит под дилетанта – так удобно, не несёшь никакой ответственности. А образование он получил великолепное – лет десять учили быть классным военным инженером-строителем. В академии! С дорожным (а значит, и мостовым) уклоном. В Москве советских лет, когда учили на совесть. Там было не соскочить, оттуда и формула пошла: «Не можешь – научим, не хочешь – заставим».

Все основные строительные дисциплины курсанты должны были знать назубок: сопромат, строительную механику, строительные материалы, геодезию, геологию, механику грунтов, строительные конструкции, экономику строительства, организацию строительного процесса. Математику.

- То есть Вдовину это всё известно. Конечно, как можно забыть? Ещё и конспекты, наверное, хранит. И при этом называет себя дилетантом...

ВАН : Что ещё важно отметить в этом их походе на Красный мост: вопрос его про 70-тонник был не по адресу. Спрашивать это надо не у прораба, чьё дело – исполнять проект. Спрашивать, и строго, надо с проектировщика. А вот и круг вопросов :

какая нагрузка сумеет безопасно проезжать по мосту?  выдержат ли опоры, особенно № 2, нагрузку обновлённого моста? если выдержат опоры, то зачем было давать в проекте их мощное укрепление? собираются ли проектанты добровольно вернуть плату за проект?

Действительно, представители «СтройЭксперта» и «Севзапмостпроекта» вообще должны сейчас быть на нашем мосту практически неотлучно. 

... В зале того памятного заседания, осени 2017 года, Вдовин, конечно, тоже был как непременный участник комитетов по градостроительству, в обоих Советах. Такова, видно, его обязанность как профессионала-строителя. Спрятавшегося под маской дилетанта.

P.S. Теперь ещё более интересно дождаться отчёта о состоянии инвестпроцесса Красного моста по мотивам федеральной проверки. Составленного, разумеется, без тени дилетантизма. В этом документе (который должен получить на руки инициатор проверки, он же председатель профильного комитета) должна содержаться исчерпывающая достоверная информация о транспортных нагрузках.

Источник: ИА «Инфо-Сити», InfoOrel.ru

Последние новости

Почему страховка — это не только формальность, но и реальная защита

Разбираемся, зачем нужен полис и как он может спасти от неожиданных проблем на дороге

Глазуновская ЦРБ задолжала 2 миллиона страховых взносов

В дело пришлось вмешаться прокуратуре Орловской области. Фото: гцрб.рф К настоящему моменту долг погашен.

Потребительский кредит без боли: как не стать жертвой долговой ямы

Как взять кредит с умом и не пожалеть об этом спустя пару месяцев

На этом сайте вы найдете актуальные вакансии в Феодосии с предложениями работы от ведущих работодателей города

Комментарии (0)

Добавить комментарий

Ваш email не публикуется. Обязательные поля отмечены *